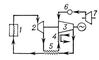
Ðèñ. 4. Ñõåìà ãàçîòóðáèííîãî äâèãàòåëÿ, ðàáîòàþùåãî ïî çàìêíóòîìó öèêëó: 1 — ïîâåðõíîñòíûé íàãðåâàòåëü; 2 — òóðáèíà; 3 — êîìïðåññîð; 4 — îõëàäèòåëü; 5 — ðåãåíåðàòîð; 6 — àêêóìóëÿòîð âîçäóõà; 7 — âñïîìîãàòåëüíûé êîìïðåññîð.