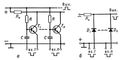
Ñõåìà ñîâïàäåíèé: à — íà òðàíçèñòîðàõ; á — íà äèîäàõ; Rí — ñîïðîòèâëåíèå íàãðóçêè; R — ñîïðîòèâëåíèÿ â öåïè ñìåùåíèÿ; Ñ — êîíäåíñàòîð (¸ìêîñòü) â öåïè ñìåùåíèÿ; Ò1, ..., Òn — òðàíçèñòîðû; D1, ..., Dn — äèîäû.