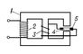
Рис. 2. Схема насоса-трансформатора: 1 — магнитопровод; 2 и 3 — обмотки трансформатора; 4 — канал для перемещения жидкости; 5 — токоподводящая шина.