Пневматический измерительный прибор в машиностроении, средство измерения линейных размеров деталей машин и механизмов по расходу воздуха, выходящего под давлением из сопла. Деталь, линейный размер которой надо измерить, располагают перед торцом сопла на определённом расстоянии. В зависимости от размера детали изменяется зазор (расстояние между деталью и торцом сопла), благодаря чему изменяется расход воздуха (объём воздуха, проходящего в единицу времени через калиброванное отверстие — сопло). Обычно прибор настраивают по размеру образцовой детали или концевым мерам длины.
Появление П. и. п. относится к 20-м гг. 20 в., когда франц. фирма «Сакма» выпустила приборы типа «Солекс».
П. и. п. имеет: узел подготовки воздуха, в котором осуществляется его очистка и стабилизация давления; отсчётное, или командное, устройство, преобразующее изменение расхода или связанного с ним давления в воздухопроводе в значение определяемого размера; измерительную оснастку с одним или несколькими соплами (диаметр отверстия 1—2 мм), из которых воздух вытекает на деталь. По видам отсчётных устройств П. и. п. разделяют на ротаметрические и манометрические. В П. и. п. ротаметрического типа (рис. 1) сжатый воздух под постоянным давлением поступает в нижнюю часть расширяющейся конической прозрачной (обычно стеклянной) трубки, в которой находится поплавок. Из верхней части трубки воздух подводится к измерительному соплу и через зазор S выходит в атмосферу. В соответствии со скоростью воздуха поплавок устанавливается на определённое расстояние l от нулевой отметки шкалы, которая отградуирована в единицах длины.
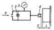
В приборах манометрического типа (рис. 2) сжатый воздух под постоянным давлением поступает в рабочую камеру, в которой находится входное сопло, далее в измерительное сопло и через зазор — в атмосферу. Давление в камере, зависящее от зазора S, измеряется манометром, шкала которого отградуирована в единицах длины. Применяются приборы манометрического типа высокого (30—40 кн/м2) и низкого (5—10 кн/м2) давления.
П. и. п. используются в системах активного контроля (см. Контроль активный) и в контрольных автоматах (см. Контроль автоматический). В качестве чувствительного элемента используются упругие элементы (трубчатые пружины, сильфоны, мембранные коробки, упругие и вялые мембраны) или жидкостные дифманометры (U - образные и чашечные). П. и. п. разделяются на бесконтактные (воздух из измерительного сопла обдувает непосредственно деталь) и контактные (воздух из измерительного сопла направлен на торец измерительного стержня или одно из плеч рычага, второй конец которого входит в контакт с деталью).
Преимущества П. и. п.: относительная простота конструкции, возможность бесконтактных измерений при очистке измеряемой поверхности струей воздуха, большое увеличение при измерении (до 10 тыс. раз) и, как следствие, высокая точность, возможность определения размеров, погрешностей формы, суммирования и вычитания измеряемых величин, получение непрерывной информации и дистанционные измерения. К недостаткам П. и. п. относятся: необходимость иметь очищенный воздух со стабилизированным давлением; инерционность пневматической системы; колебание температуры в зоне измерения.
Перспективными являются созданные конструкции, в которых сочетаются преимущества пневматического метода с использованием индуктивных или др. преобразователей.
Лит.: Высоцкий А. В., Курочкин А. П., Конструирование и наладка пневматических устройств для линейных измерений, М., 1972; Цидулко Ф. В., Выбор параметров пневматических приборов размерного контроля, М., 1973.
Н. Н. Марков.

Рис. 1. Пневматический измерительный прибор ротаметрического типа: 1 — трубка, в которую поступает сжатый воздух под постоянным давлением р; 2 — поплавок, устанавливаемый в трубке на определённом расстоянии l от нулевой отметки; 3 — измерительное сопло; S — зазор между измерительным соплом и измеряемой деталью; L — измеряемый размер.

Рис. 2. Пневматический измерительный прибор манометрического типа: 1 — рабочая камера; 2 — входное сопло; 3 — манометр; 4 — измерительное сопло; S — зазор между деталью и измерительным соплом; L — измеряемый размер.